HBM C9C/10KN力传感器-大量现货供应,无需等待
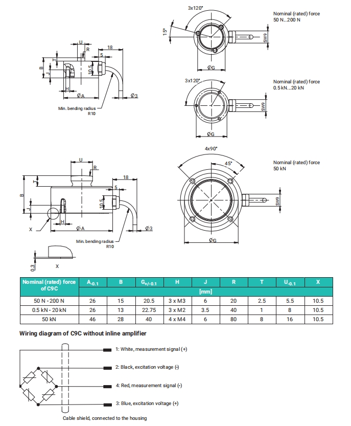
C9C 产品系列构造小巧、成本划算的力传感器能够在有限空间内可靠地测量压向力。由于基本共振频率较高,它们适用于特别高速的测量。正如所有应变片式测力传感器一样,C9C 也可以可靠且长期稳定低测量静力。不锈钢和焊接结构确保了坚固性,同时具有韧性。
C9C 测力传感器有两种有源型号:配备电压输出(0-10 V)的 VA1 及配备电流输出(4—20 mA)的 VA2。




座机:021-54332625
李女士 18914249370
滕先生 13814825313
张先生 15000372199
周先生 15001749493
地址:上海市宝山区长江南路180号长江软件园C652
扫码关注
网站客服咨询客服
手机:0512-68432625
电话:021-54332625
