使用1 GHz至10 GHz带宽对高速设计进行故障排除和验证。以低噪音和高达50GS/s的采样率获得精确的测量。用6通道和8通道的型号示波器看到更多设计细节。
输入通道
4、6 或 8 FlexChannel 输入。
每个 FlexChannel 提供一个模拟信号输入或者连接 TLP0581 探头实现 8 路数字逻辑输入
带宽1
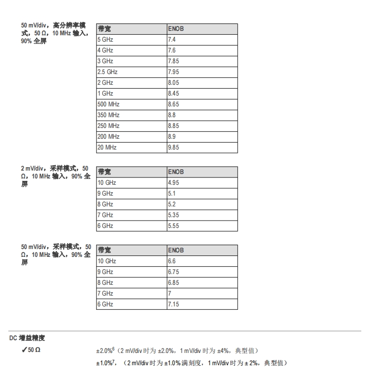
1、2.5、4、6、8 或 10 GHz
采样率
50 GS/s(2 个模拟通道)
25 GS/s(4 个模拟通道)
12.5 GS/s(模拟通道超过 4 个)
记录长度 1
最高 1 G 样点(4 个通道)
最高 500 M 样点(通道超过 4 个)
信号发生器1
13 种标准波形,加上任意波形
数字电压表2
4 位
触发频率计数器 2
8 位
显示器
15.6 英寸 (385 mm)
TFT 彩色 HD (1,920 x 1,080) 分辨率电容式(多点触摸)触摸屏


座机:021-54332625
李女士 18914249370
滕先生 13814825313
张先生 15000372199
周先生 15001749493
地址:上海市宝山区长江南路180号长江软件园C652
扫码关注
网站客服咨询客服
手机:0512-68432625
电话:021-54332625
